Çok Konumlu Taban Plakası
Anasayfa / Tüm Ürünler / Sıfır Noktası Plakası ve Bağlama sistemleri / Çok Konumlu Taban Plakası
Çok Konumlu Sıfır Noktası Taban Plakası Özellikleri

SC52-S230 özellikleri
Tekrarlama Hassasiyeti: 0,005 mm
Sıkma kuvveti: 18KN
Malzeme: Çelik
Ağırlık/Kg: 4 KG
Aralık: 4*M10@82*208 özelleştirilebilir.


SC96-S379 özellikleri
Tekrarlama Hassasiyeti: 0,005 mm
Sıkma kuvveti: 22KN
Malzeme: Çelik
Ağırlık/Kg: 12 KG
Aralık: 4*M10@132.5 *320 özelleştirilebilir.
Aralık: 4*M10@132.5 *320 özelleştirilebilir.


SC96-S410 özellikleri
Tekrarlama Hassasiyeti: 0,005 mm
Sıkma kuvveti: 22KN
Malzeme: Çelik
Ağırlık/Kg: 14 KG
Aralık: 4* M10@200*300

Pnömatik Sıfır Noktası Taban Plakaları
Bazı otomasyon projelerinde robotlarla en çok kullanılan sistem, pnömatik taban plakalarıdır.
Plaka kilitini açmak için hava, kapatmak için yay gücü kullanılır.
Güçlü sıkıştırma kuvveti, ağır kesme işlemleri için uygundur.
Taban plakalarında 52 mm ve 96 mm aralıklarla Pull-stud delikleri mevcuttur..

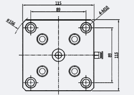
SC52-S165A özellikleri
Boyutları: 115*115*46
Tekrarlama Hassasiyeti: 0,005
Sıkma kuvveti: 18KN
Malzeme: Çelik
Ağırlık/Kg: 4 KG


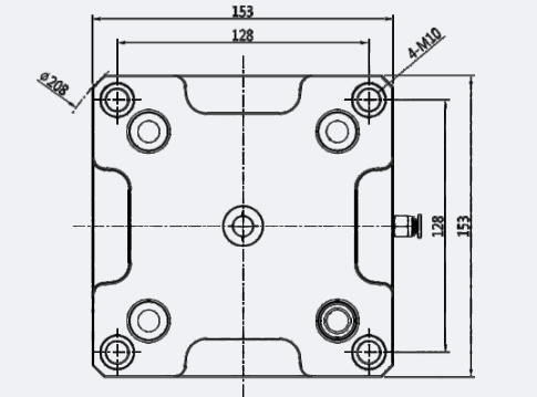
SC96-S210A özellikleri
Boyut: 153*153*50
Tekrarlama Hassasiyeti: 0,005
Sıkma kuvveti: 22KN
Malzeme: Çelik
Ağırlık/Kg: 7KG








