CNC Bağlama Kulesi (Tombstone Tipi)
Anasayfa / Tüm Ürünler / Sıfır Noktası Plakası ve Bağlama sistemleri / CNC Bağlama Kulesi (Tombstone Tipi)
SilverCNC Özel Üretim CNC Bağlama Kulesi Serisi (Tombstone Tipi)
SilverCNC olarak, üretim ihtiyaçlarınıza özel tasarlanmış CNC bağlama kuleleri sunuyoruz.
İster 3 yüzeyli, ister 4 yüzeyli yapı tercih edin — modüler tasarımımız sayesinde esnek çözümler ve logonuzla kişiselleştirilmiş üretim imkânı sağlıyoruz.
Özel üretim bağlama kulelerimiz, CNC işleme süreçlerinizi optimize eder, verimliliği artırır ve işleme hassasiyetini en üst seviyeye çıkarır.
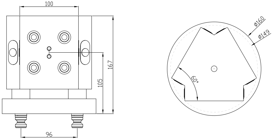
Üç Yüzeyli Bağlama Kulesi (Tombstone Tipi)
Alt kısmındaki çekme pabuçları (pull studs) sayesinde kule, 96 mm referans aralığına sahip tüm taban plakalarına doğrudan bağlanabilir.
Bu model, SilverCNC C170, C180 ve C200 dördüncü eksen döner tablalarla (divizörlerle) tam uyumluluk sağlar.

SC52-S160 Özellikleri
Boyutlar: Ø160 × 167 mm
Malzeme: Çelik + Alüminyum
Ağırlık: 7 kg

Bağlama kulesi üzerinde üç adet SilverCNC SC-75150 merkezleyici mengene monte edilmiştir.
Kulenin alt kısmındaki dört çekme pabuçu (pull-stud), SC96-S190 taban plakasına sabitleme görevini üstlenir.
Bağlama kulesi ve taban plaka birlikte 200 mm 4. eksen döner tabla üzerine monte edilmiştir.



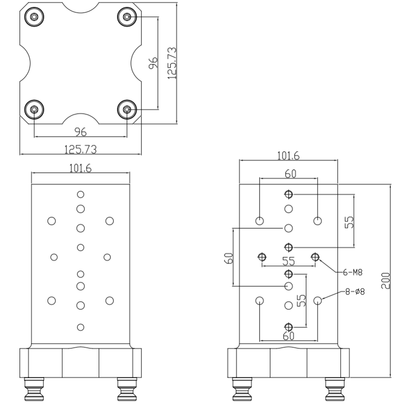
Dört Yüzeyli Bağlama Kulesi (Tombstone Tipi)
Kule, 96 mm sıfır nokta (Zero-Point) taban plakalarına kolayca monte edilebilir. Üzerine en fazla 12 adet mengene yerleştirilebilir; böylece tezgâh operatör müdahalesi olmadan uzun süre kesintisiz çalışabilir.
Bu model, SilverCNC C170, C180 ve C200 dördüncü eksen döner tablalar ile mükemmel uyum sağlar.

75-A96 Özellikleri
Boyutları: 126x126x200 mm
Malzeme: Alüminyum
Ağırlık: 7 kg

Mengene, dikey veya yatay konumda monte edilebilir.
Bağlama kulesinin alt kısmındaki 4 adet çekme pabuçu (stud), SC96-S190 taban plakasına sabitleme görevini üstlenir.
Bağlama kulesi üzerinde 8 adet SilverCNC SC-75100 merkezleyici mengene ve 4 adet çift istasyonlu SilverCNC SC-75150D merkezleyici mengene monte edilmiştir.




Neden SilverCNC'yi Seçmelisiniz?
SilverCNC, iş parçalarını hassas biçimde konumlandırmak ve sabitlemek için geniş bir fikstür ürün yelpazesi sunar.
Sıfır nokta (Zero-Point) bağlama çözümlerimiz, ayar süresini en aza indirerek parçaların hızlı ve doğru hizalanmasını sağlar.
Karmaşık parçalar için özelleştirilebilir seçenekler sunarak, farklı üretim gereksinimlerine özel çözümler geliştiriyoruz.
Dayanıklı malzemelerden üretilen fikstürlerimiz, yüksek güvenilirlik, arttırılmış verimlilik ve üstün işleme hassasiyeti ile birçok endüstride güvenle kullanılmaktadır.
Rekabetçi Fiyatlar
Doğrudan üretici fiyatlandırması sayesinde maksimum maliyet verimliliği sağlanır.
Hızlı Teslimat
Projelerinizin zamanında ilerlemesi için teslimatlar tam planında gerçekleştirilir.
Hızlı Geri Dönüş
İhtiyaçlarınızı ve taleplerinizi karşılamak için hızlı teknik destek ve iletişim sağlanır.
Patentli Teknoloji
İşleme verimliliğini artıran yenilikçi ve patentli çözümler sunulur.
İlgili Mekanik Taban Plakaları ve İş Parçası Bağlama Ürünleri
Sıkça Sorulan Sorular (SSS)
CNC Bağlama Kulesi (Tombstone Tipi) hakkında sık sorulan bazı sorular.







